Надёжно
Удобно
Автоматика
Пожарных
Систем
ООО «СБТ-ГРУПП» – российский производитель систем автоматизации дымоудаления и вентиляции.
Миссией ООО «СБТ-ГРУПП» является максимально полное удовлетворение потребностей заказчиков путем выпуска качественной и доступной продукции.
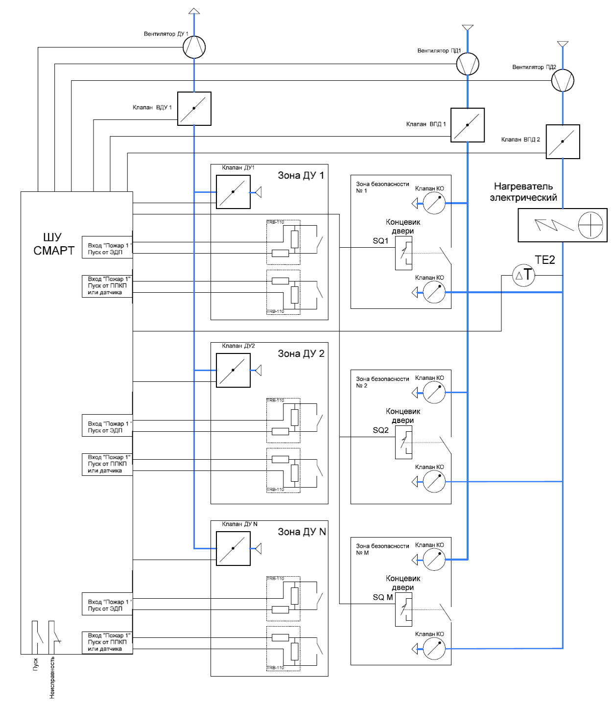
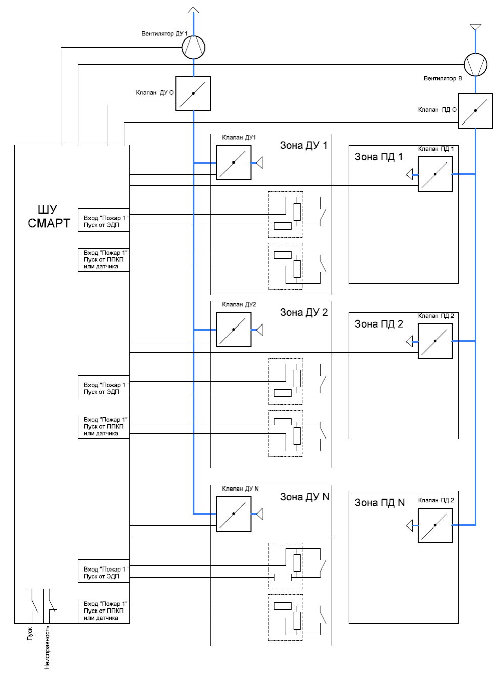
Шкафы управления противодымной вентиляции СМАРТ
Шкафы автоматического управления противодымной вентиляции СМАРТ ТУ 26.30.50–002-15484860–2023 предназначены для автоматического управления в соответствии с ГОСТ 53325–2012 системами и элементами систем противодымной вентиляции. Элементами систем могут являться: воздушные клапаны, вентиляторы дымоудаления, вентиляторы возмещения продуктов горения и подпора давления, нагреватели воздуха.
Применение шкафов СМАРТ позволяет реализовать централизованное управление безадресными элементами по заложенному на заводе алгоритму и соответственно снизить объем пуско-наладочных работ. В зависимости от задач применения в проектах, применение шкафов СМАРТ можно условно разделить по следующим назначениям:
Силовой шкаф
Применение в качестве силовых шкафов управления вентиляторами противодымного назначения. Как правило, в шкафу может быть предусмотрен один вход для автоматического пуска от ППКП и один вход от ручного элемента дистанционного пуска (ЭДП).
Шкаф управления
Применение для управления выделенной частью элементов системы противодымного назначения, сблокированных между собой. Например, вентилятор и жестко привязанные к нему воздушные клапана или (и) нагреватель воздуха для зоны безопасности. Как правило, также может быть предусмотрен один вход для автоматического пуска от ППКП и один вход от ручного элемента дистанционного пуска (ЭДП).
Пуск элементов
Применение для пуска элементов в зависимости от направления, от которого поступил сигнал пуска. Каждому управляемому элементу может быть назначен перечень направлений, при поступлении сигнала с которых происходит его срабатывание. Для каждого направления может быть предусмотрен один вход для автоматического пуска от контактов ППКП или датчика и один вход от ручного элемента дистанционного пуска (ЭДП).
Общие технические характеристики
В соответствии с ГОСТ 53325–2012 шкафы СМАРТ осуществляют контроль целостности линии связи до пускового устройства. По умолчанию пуск осуществляется сигналом типа «сухой контакт». Для обеспечения функций контроля целостности линии предусматриваются согласующие блоки сопротивлений, которые должны подключаться непосредственно к релейному выходу пускового устройства. В случае необходимости контроля целостности линии со стороны пускового устройства, пуска потенциальным сигналом, отключения функций контроля со стороны шкафа СМАРТ, данные требования должны быть указаны в опросном листе и в задании на изготовление.
В соответствии с проектным заданием, шкафах автоматического управления противодымной вентиляции СМАРТ могут быть изготовлены со следующими характеристиками:
Количество вентиляторов
4
Приводов воздушных клапанов
40
Электрических нагревателей
1
Направлений пожарной тревоги
40
Уровни напряжений и сопротивлений входов и выходов
Параметры входного сигнала пожарной тревоги
|
Тип |
Сухой контакт с согласующими сопротивлениями |
|
Исполнение
|
Нормально открытый
|
|
Напряжение холостого хода
|
3,3 В
|
|
Максимальное допустимое сопротивление проводного шлейфа
|
550 Ω
|
|
Максимально допустимая величина утечки между проводниками шлейфа
|
44,7 kΩ
|
|
Диапазон сопротивлений состояния «разомкнут»
|
10,75 kΩ—25 kΩ
|
|
Диапазон сопротивлений состояния «замкнут»
|
2,0 kΩ—10,75 kΩ
|
|
Минимальное сопротивление диагностики состояния «обрыв»
|
25 kΩ и более
|
|
Максимальное сопротивление диагностики состояния «короткое замыкание»
|
2 kΩ и менее
|
Параметры диагностики линии питания привода воздушного клапана
|
Напряжение холостого хода в режиме «отключен» |
3,3 В |
|
Электрическое сопротивление диагностики состояния «обрыв»
|
96 kΩ и более
|
|
Электрическое сопротивление диагностики состояния «замыкание»
|
100 Ω и менее
|
Параметры диагностики линии питания привода вентилятора
|
Напряжение холостого хода в режиме «отключен» |
3,3 В |
|
Электрическое сопротивление диагностики состояния «обрыв»
|
150 Ω и более
|
|
Электрическое сопротивление диагностики состояния «замыкание»
|
100 Ω и менее
|
Примеры функциональных схем
Электрические подключения

Подключение входных сигналов «Пожар»

Подключение электромагнитного привода

Подключение электромеханического привода

Подключение электромеханического привода с пружинным возвратом
Примечание!
При внутреннем сопротивлении цепей управления привода менее 50 кОм возможно непосредственное подключение к шкафу СМАРТ без блока согласующих сопротивлений TRB-100.
Согласующие блоки сопротивлений TRB-100, TRB-110, TRB-130 входят в комплект поставки шкафа. В случае необходимости блоки допускается заменять резисторами с номинальными значениями сопротивлений в соответствии с таблицей 1.
Коды ошибок
В процессе работы, в системе могут возникать разнообразные нештатные ситуации. Каждой из этих ситуаций мы присвоили уникальный код. В таблице удобно испльзовать функцию поиска.
Если необходимо найти код ошибки в оффлайне, скачайте PDF–версию ниже.
| Код | Описание 1 | Описание 2 |
|---|---|---|
| 0 | Все в норме | |
| 1 | Сброс | |
| 2 | Модуль KBD 1 (Адр.2) | Нет связи |
| 3 | Модуль KBD 1 (Адр.2) | Неправильный тип модуля |
| 4 | Модуль KBD 1 (Адр.2) | Неправильная версия ПО модуля |
| 5 | Модуль KBD 1 (Адр.2) | Ошибки записи |
| 6 | Модуль KBD 2 (Адр.3) | Нет связи |
| 7 | Модуль KBD 2 (Адр.3) | Неправильный тип модуля |
| 8 | Модуль KBD 2 (Адр.3) | Неправильная версия ПО модуля |
| 9 | Модуль KBD 2 (Адр.3) | Ошибки записи |
| 10 | Модуль KBD 3 (Адр.4) | Нет связи |
| 11 | Модуль KBD 3 (Адр.4) | Неправильный тип модуля |
| 12 | Модуль KBD 3 (Адр.4) | Неправильная версия ПО модуля |
| 13 | Модуль KBD 3 (Адр.4) | Ошибки записи |
| 14 | Модуль KBD 4 (Адр.5) | Нет связи |
| 15 | Модуль KBD 4 (Адр.5) | Неправильный тип модуля |
| 16 | Модуль KBD 4 (Адр.5) | Неправильная версия ПО модуля |
| 17 | Модуль KBD 4 (Адр.5) | Ошибки записи |
| 18 | Модуль KBD 5 (Адр.6) | Нет связи |
| 19 | Модуль KBD 5 (Адр.6) | Неправильный тип модуля |
| 20 | Модуль KBD 5 (Адр.6) | Неправильная версия ПО модуля |
| 21 | Модуль KBD 5 (Адр.6) | Ошибки записи |
| 22 | Модуль KBD 6 (Адр.7) | Нет связи |
| 23 | Модуль KBD 6 (Адр.7) | Неправильный тип модуля |
| 24 | Модуль KBD 6 (Адр.7) | Неправильная версия ПО модуля |
| 25 | Модуль KBD 6 (Адр.7) | Ошибки записи |
| 26 | Модуль AVR (Адр.8) | Нет связи |
| 27 | Модуль AVR (Адр.8) | Неправильный тип модуля |
| 28 | Модуль AVR (Адр.8) | Неправильная версия ПО модуля |
| 29 | Модуль AVR (Адр.8) | Ошибки записи |
| 30 | Модуль VLV 1 (Адр.9) | Нет связи |
| 31 | Модуль VLV 1 (Адр.9) | Неправильный тип модуля |
| 32 | Модуль VLV 1 (Адр.9) | Неправильная версия ПО модуля |
| 33 | Модуль VLV 1 (Адр.9) | Ошибки записи |
| 34 | Модуль VLV 2 (Адр.10) | Нет связи |
| 35 | Модуль VLV 2 (Адр.10) | Неправильный тип модуля |
| 36 | Модуль VLV 2 (Адр.10) | Неправильная версия ПО модуля |
| 37 | Модуль VLV 2 (Адр.10) | Ошибки записи |
| 38 | Модуль VLV 3 (Адр.11) | Нет связи |
| 39 | Модуль VLV 3 (Адр.11) | Неправильный тип модуля |
| 40 | Модуль VLV 3 (Адр.11) | Неправильная версия ПО модуля |
| 41 | Модуль VLV 3 (Адр.11) | Ошибки записи |
| 42 | Модуль VLV 4 (Адр.12) | Нет связи |
| 43 | Модуль VLV 4 (Адр.12) | Неправильный тип модуля |
| 44 | Модуль VLV 4 (Адр.12) | Неправильная версия ПО модуля |
| 45 | Модуль VLV 4 (Адр.12) | Ошибки записи |
| 46 | Модуль VLV 5 (Адр.13) | Нет связи |
| 47 | Модуль VLV 5 (Адр.13) | Неправильный тип модуля |
| 48 | Модуль VLV 5 (Адр.13) | Неправильная версия ПО модуля |
| 49 | Модуль VLV 5 (Адр.13) | Ошибки записи |
| 50 | Модуль VLV 6 (Адр.14) | Нет связи |
| 51 | Модуль VLV 6 (Адр.14) | Неправильный тип модуля |
| 52 | Модуль VLV 6 (Адр.14) | Неправильная версия ПО модуля |
| 53 | Модуль VLV 6 (Адр.14) | Ошибки записи |
| 54 | Модуль VLV 7 (Адр.15) | Нет связи |
| 55 | Модуль VLV 7 (Адр.15) | Неправильный тип модуля |
| 56 | Модуль VLV 7 (Адр.15) | Неправильная версия ПО модуля |
| 57 | Модуль VLV 7 (Адр.15) | Ошибки записи |
| 58 | Модуль VLV 8 (Адр.16) | Нет связи |
| 59 | Модуль VLV 8 (Адр.16) | Неправильный тип модуля |
| 60 | Модуль VLV 8 (Адр.16) | Неправильная версия ПО модуля |
| 61 | Модуль VLV 8 (Адр.16) | Ошибки записи |
| 62 | Модуль VLV 9 (Адр.17) | Нет связи |
| 63 | Модуль VLV 9 (Адр.17) | Неправильный тип модуля |
| 64 | Модуль VLV 9 (Адр.17) | Неправильная версия ПО модуля |
| 65 | Модуль VLV 9 (Адр.17) | Ошибки записи |
| 66 | Модуль VLV 10 (Адр.18) | Нет связи |
| 67 | Модуль VLV 10 (Адр.18) | Неправильный тип модуля |
| 68 | Модуль VLV 10 (Адр.18) | Неправильная версия ПО модуля |
| 69 | Модуль VLV 10 (Адр.18) | Ошибки записи |
| 70 | Модуль VLV 11 (Адр.19) | Нет связи |
| 71 | Модуль VLV 11 (Адр.19) | Неправильный тип модуля |
| 72 | Модуль VLV 11 (Адр.19) | Неправильная версия ПО модуля |
| 73 | Модуль VLV 11 (Адр.19) | Ошибки записи |
| 74 | Модуль VLV 12 (Адр.20) | Нет связи |
| 75 | Модуль VLV 12 (Адр.20) | Неправильный тип модуля |
| 76 | Модуль VLV 12 (Адр.20) | Неправильная версия ПО модуля |
| 77 | Модуль VLV 12 (Адр.20) | Ошибки записи |
| 78 | Модуль VLV 13 (Адр.21) | Нет связи |
| 79 | Модуль VLV 13 (Адр.21) | Неправильный тип модуля |
| 80 | Модуль VLV 13 (Адр.21) | Неправильная версия ПО модуля |
| 81 | Модуль VLV 13 (Адр.21) | Ошибки записи |
| 82 | Модуль VLV 14 (Адр.22) | Нет связи |
| 83 | Модуль VLV 14 (Адр.22) | Неправильный тип модуля |
| 84 | Модуль VLV 14 (Адр.22) | Неправильная версия ПО модуля |
| 85 | Модуль VLV 14 (Адр.22) | Ошибки записи |
| 86 | Модуль VLV 15 (Адр.23) | Нет связи |
| 87 | Модуль VLV 15 (Адр.23) | Неправильный тип модуля |
| 88 | Модуль VLV 15 (Адр.23) | Неправильная версия ПО модуля |
| 89 | Модуль VLV 15 (Адр.23) | Ошибки записи |
| 90 | Модуль VLV 16 (Адр.24) | Нет связи |
| 91 | Модуль VLV 16 (Адр.24) | Неправильный тип модуля |
| 92 | Модуль VLV 16 (Адр.24) | Неправильная версия ПО модуля |
| 93 | Модуль VLV 16 (Адр.24) | Ошибки записи |
| 94 | Модуль VLV 16 (Адр.25) | Нет связи |
| 95 | Модуль VLV 16 (Адр.25) | Неправильный тип модуля |
| 96 | Модуль VLV 16 (Адр.25) | Неправильная версия ПО модуля |
| 97 | Модуль VLV 16 (Адр.25) | Ошибки записи |
| 98 | Модуль VLV 17 (Адр.26) | Нет связи |
| 99 | Модуль VLV 17 (Адр.26) | Неправильный тип модуля |
| 100 | Модуль VLV 17 (Адр.26) | Неправильная версия ПО модуля |
| 101 | Модуль VLV 17 (Адр.26) | Ошибки записи |
| 102 | Модуль VLV 18 (Адр.27) | Нет связи |
| 103 | Модуль VLV 18 (Адр.27) | Неправильный тип модуля |
| 104 | Модуль VLV 18 (Адр.27) | Неправильная версия ПО модуля |
| 105 | Модуль VLV 18 (Адр.27) | Ошибки записи |
| 106 | Модуль VLV 19 (Адр.28) | Нет связи |
| 107 | Модуль VLV 19 (Адр.28) | Неправильный тип модуля |
| 108 | Модуль VLV 19 (Адр.28) | Неправильная версия ПО модуля |
| 109 | Модуль VLV 19 (Адр.28) | Ошибки записи |
| 110 | Модуль MTR1 (Адр.29) | Нет связи |
| 111 | Модуль MTR1 (Адр.29) | Неправильный тип модуля |
| 112 | Модуль MTR1 (Адр.29) | Неправильная версия ПО модуля |
| 113 | Модуль MTR1 (Адр.29) | Ошибки записи |
| 114 | Модуль MTR2 (Адр.30) | Нет связи |
| 115 | Модуль MTR2 (Адр.30) | Неправильный тип модуля |
| 116 | Модуль MTR2 (Адр.30) | Неправильная версия ПО модуля |
| 117 | Модуль MTR2 (Адр.30) | Ошибки записи |
| 118 | Встроенная Батарея | Неисправна |
| 119 | ||
| 120 | ||
| 121 | Вход Бат.АВР1 | Тревога |
| 122 | Вход Бат.АВР1 | Линия Обрыв |
| 123 | Вход Бат.АВР1 | Линия КЗ |
| 124 | ||
| 125 | ||
| 126 | Вход Бат.АВР2 | Тревога |
| 127 | Вход Бат.АВР2 | Линия Обрыв |
| 128 | Вход Бат.АВР2 | Линия КЗ |
| 129 | ||
| 130 | ||
| 131 | Вход ДУ1 | Линия Обрыв |
| 132 | Вход ДУ1 | Линия КЗ |
| 133 | MCB Реле NO1 | Ручной режим |
| 134 | MCB Реле NO2 | Ручной режим |
| 135 | MCB Реле NO3 | Ручной режим |
| 136 | Вход ДУ2 | Линия Обрыв |
| 137 | Вход ДУ2 | Линия КЗ |
| 138 | Дверь комн.безоп.S2 | Линия Обрыв |
| 139 | Дверь комн.безоп.S2 | Линия КЗ |
| 140 | MCB Реле NO4 | Ручной режим |
| 141 | АВР Ввод 1 | Фаза Обрыв |
| 142 | ||
| 143 | ||
| 144 | ||
| 145 | ||
| 146 | АВР Ввод 2 | Фаза Обрыв |
| 147 | ||
| 148 | ||
| 149 | ||
| 150 | ||
| 151 | Вентилятор 1 | Сила Обрыв |
| 152 | Вентилятор 1 | Сила КЗ |
| 153 | Вентилятор 1 | Ручной режим |
| 154 | ||
| 155 | ||
| 156 | Вентилятор 2 | Сила Обрыв |
| 157 | Вентилятор 2 | Сила КЗ |
| 158 | Вентилятор 2 | Ручной режим |
| 159 | ||
| 160 | ||
| 161 | Вентилятор 3 | Сила Обрыв |
| 162 | Вентилятор 3 | Сила КЗ |
| 163 | Вентилятор 3 | Ручной режим |
| 164 | ||
| 165 | ||
| 166 | Вентилятор 4 | Сила Обрыв |
| 167 | Вентилятор 4 | Сила КЗ |
| 168 | Вентилятор 4 | Ручной режим |
| 169 | ||
| 170 | ||
| 171 | Вход Пожар 1 | Линия Обрыв |
| 172 | Вход Пожар 1 | Линия КЗ |
| 173 | ||
| 174 | Вход Пожар 1′ | Линия Обрыв |
| 175 | Вход Пожар 1′ | Линия КЗ |
| 176 | Вход Пожар 2 | Линия Обрыв |
| 177 | Вход Пожар 2 | Линия КЗ |
| 178 | ||
| 179 | Вход Пожар 2′ | Линия Обрыв |
| 180 | Вход Пожар 2′ | Линия КЗ |
| 181 | ||
| 182 | Клапан 1 | Концевик Закр не сработал |
| 183 | Клапан 1 | Концевик Откр не сработал |
| 184 | Клапан 1 | Концевик Обрыв |
| 185 | Клапан 1 | Концевик КЗ |
| 186 | Клапан 1 | Авария сети питания |
| 187 | Клапан 1 | Сила Обрыв |
| 188 | Клапан 1 | Сила КЗ |
| 189 | Клапан 1 | Ручной режим |
| 190 | ||
| 191 | ||
| 192 | Клапан 2 | Концевик Закр не сработал |
| 193 | Клапан 2 | Концевик Откр не сработал |
| 194 | Клапан 2 | Концевик Обрыв |
| 195 | Клапан 2 | Концевик КЗ |
| 196 | Клапан 2 | Авария сети питания |
| 197 | Клапан 2 | Сила Обрыв |
| 198 | Клапан 2 | Сила КЗ |
| 199 | Клапан 2 | Ручной режим |
| 200 | ||
| 201 | Вход Пожар 3 | Линия Обрыв |
| 202 | Вход Пожар 3 | Линия КЗ |
| 203 | ||
| 204 | Вход Пожар 3′ | Линия Обрыв |
| 205 | Вход Пожар 3′ | Линия КЗ |
| 206 | Вход Пожар 4 | Линия Обрыв |
| 207 | Вход Пожар 4 | Линия КЗ |
| 208 | ||
| 209 | Вход Пожар 4′ | Линия Обрыв |
| 210 | Вход Пожар 4′ | Линия КЗ |
| 211 | ||
| 212 | Клапан 3 | Концевик Закр не сработал |
| 213 | Клапан 3 | Концевик Откр не сработал |
| 214 | Клапан 3 | Концевик Обрыв |
| 215 | Клапан 3 | Концевик КЗ |
| 216 | Клапан 3 | Авария сети питания |
| 217 | Клапан 3 | Сила Обрыв |
| 218 | Клапан 3 | Сила КЗ |
| 219 | Клапан 3 | Ручной режим |
| 220 | ||
| 221 | ||
| 222 | Клапан 4 | Концевик Закр не сработал |
| 223 | Клапан 4 | Концевик Откр не сработал |
| 224 | Клапан 4 | Концевик Обрыв |
| 225 | Клапан 4 | Концевик КЗ |
| 226 | Клапан 4 | Авария сети питания |
| 227 | Клапан 4 | Сила Обрыв |
| 228 | Клапан 4 | Сила КЗ |
| 229 | Клапан 4 | Ручной режим |
| 230 | ||
| 231 | Вход Пожар 5 | Линия Обрыв |
| 232 | Вход Пожар 5 | Линия КЗ |
| 233 | ||
| 234 | Вход Пожар 5′ | Линия Обрыв |
| 235 | Вход Пожар 5′ | Линия КЗ |
| 236 | Вход Пожар 6 | Линия Обрыв |
| 237 | Вход Пожар 6 | Линия КЗ |
| 238 | ||
| 239 | Вход Пожар 6′ | Линия Обрыв |
| 240 | Вход Пожар 6′ | Линия КЗ |
| 241 | ||
| 242 | Клапан 5 | Концевик Закр не сработал |
| 243 | Клапан 5 | Концевик Откр не сработал |
| 244 | Клапан 5 | Концевик Обрыв |
| 245 | Клапан 5 | Концевик КЗ |
| 246 | Клапан 5 | Авария сети питания |
| 247 | Клапан 5 | Сила Обрыв |
| 248 | Клапан 5 | Сила КЗ |
| 249 | Клапан 5 | Ручной режим |
| 250 | ||
| 251 | ||
| 252 | Клапан 6 | Концевик Закр не сработал |
| 253 | Клапан 6 | Концевик Откр не сработал |
| 254 | Клапан 6 | Концевик Обрыв |
| 255 | Клапан 6 | Концевик КЗ |
| 256 | Клапан 6 | Авария сети питания |
| 257 | Клапан 6 | Сила Обрыв |
| 258 | Клапан 6 | Сила КЗ |
| 259 | Клапан 6 | Ручной режим |
| 260 | ||
| 261 | Вход Пожар 7 | Линия Обрыв |
| 262 | Вход Пожар 7 | Линия КЗ |
| 263 | ||
| 264 | Вход Пожар 7′ | Линия Обрыв |
| 265 | Вход Пожар 7′ | Линия КЗ |
| 266 | Вход Пожар 8 | Линия Обрыв |
| 267 | Вход Пожар 8 | Линия КЗ |
| 268 | ||
| 269 | Вход Пожар 8′ | Линия Обрыв |
| 270 | Вход Пожар 8′ | Линия КЗ |
| 271 | ||
| 272 | Клапан 7 | Концевик Закр не сработал |
| 273 | Клапан 7 | Концевик Откр не сработал |
| 274 | Клапан 7 | Концевик Обрыв |
| 275 | Клапан 7 | Концевик КЗ |
| 276 | Клапан 7 | Авария сети питания |
| 277 | Клапан 7 | Сила Обрыв |
| 278 | Клапан 7 | Сила КЗ |
| 279 | Клапан 7 | Ручной режим |
| 280 | ||
| 281 | ||
| 282 | Клапан 8 | Концевик Закр не сработал |
| 283 | Клапан 8 | Концевик Откр не сработал |
| 284 | Клапан 8 | Концевик Обрыв |
| 285 | Клапан 8 | Концевик КЗ |
| 286 | Клапан 8 | Авария сети питания |
| 287 | Клапан 8 | Сила Обрыв |
| 288 | Клапан 8 | Сила КЗ |
| 289 | Клапан 8 | Ручной режим |
| 290 | ||
| 291 | Вход Пожар 9 | Линия Обрыв |
| 292 | Вход Пожар 9 | Линия КЗ |
| 293 | ||
| 294 | Вход Пожар 9′ | Линия Обрыв |
| 295 | Вход Пожар 9′ | Линия КЗ |
| 296 | Вход Пожар 10 | Линия Обрыв |
| 297 | Вход Пожар 10 | Линия КЗ |
| 298 | ||
| 299 | Вход Пожар 10′ | Линия Обрыв |
| 300 | Вход Пожар 10′ | Линия КЗ |
| 301 | ||
| 302 | Клапан 9 | Концевик Закр не сработал |
| 303 | Клапан 9 | Концевик Откр не сработал |
| 304 | Клапан 9 | Концевик Обрыв |
| 305 | Клапан 9 | Концевик КЗ |
| 306 | Клапан 9 | Авария сети питания |
| 307 | Клапан 9 | Сила Обрыв |
| 308 | Клапан 9 | Сила КЗ |
| 309 | Клапан 9 | Ручной режим |
| 310 | ||
| 311 | ||
| 312 | Клапан 10 | Концевик Закр не сработал |
| 313 | Клапан 10 | Концевик Откр не сработал |
| 314 | Клапан 10 | Концевик Обрыв |
| 315 | Клапан 10 | Концевик КЗ |
| 316 | Клапан 10 | Авария сети питания |
| 317 | Клапан 10 | Сила Обрыв |
| 318 | Клапан 10 | Сила КЗ |
| 319 | Клапан 10 | Ручной режим |
| 320 | ||
| 321 | Вход Пожар 11 | Линия Обрыв |
| 322 | Вход Пожар 11 | Линия КЗ |
| 323 | ||
| 324 | Вход Пожар 11′ | Линия Обрыв |
| 325 | Вход Пожар 11′ | Линия КЗ |
| 326 | Вход Пожар 12 | Линия Обрыв |
| 327 | Вход Пожар 12 | Линия КЗ |
| 328 | ||
| 329 | Вход Пожар 12′ | Линия Обрыв |
| 330 | Вход Пожар 12′ | Линия КЗ |
| 331 | ||
| 332 | Клапан 11 | Концевик Закр не сработал |
| 333 | Клапан 11 | Концевик Откр не сработал |
| 334 | Клапан 11 | Концевик Обрыв |
| 335 | Клапан 11 | Концевик КЗ |
| 336 | Клапан 11 | Авария сети питания |
| 337 | Клапан 11 | Сила Обрыв |
| 338 | Клапан 11 | Сила КЗ |
| 339 | Клапан 11 | Ручной режим |
| 340 | ||
| 341 | ||
| 342 | Клапан 12 | Концевик Закр не сработал |
| 343 | Клапан 12 | Концевик Откр не сработал |
| 344 | Клапан 12 | Концевик Обрыв |
| 345 | Клапан 12 | Концевик КЗ |
| 346 | Клапан 12 | Авария сети питания |
| 347 | Клапан 12 | Сила Обрыв |
| 348 | Клапан 12 | Сила КЗ |
| 349 | Клапан 12 | Ручной режим |
| 350 | ||
| 351 | Вход Пожар 13 | Линия Обрыв |
| 352 | Вход Пожар 13 | Линия КЗ |
| 353 | ||
| 354 | Вход Пожар 13′ | Линия Обрыв |
| 355 | Вход Пожар 13′ | Линия КЗ |
| 356 | Вход Пожар 14 | Линия Обрыв |
| 357 | Вход Пожар 14 | Линия КЗ |
| 358 | ||
| 359 | Вход Пожар 14′ | Линия Обрыв |
| 360 | Вход Пожар 14′ | Линия КЗ |
| 361 | ||
| 362 | Клапан 13 | Концевик Закр не сработал |
| 363 | Клапан 13 | Концевик Откр не сработал |
| 364 | Клапан 13 | Концевик Обрыв |
| 365 | Клапан 13 | Концевик КЗ |
| 366 | Клапан 13 | Авария сети питания |
| 367 | Клапан 13 | Сила Обрыв |
| 368 | Клапан 13 | Сила КЗ |
| 369 | Клапан 13 | Ручной режим |
| 370 | ||
| 371 | ||
| 372 | Клапан 14 | Концевик Закр не сработал |
| 373 | Клапан 14 | Концевик Откр не сработал |
| 374 | Клапан 14 | Концевик Обрыв |
| 375 | Клапан 14 | Концевик КЗ |
| 376 | Клапан 14 | Авария сети питания |
| 377 | Клапан 14 | Сила Обрыв |
| 378 | Клапан 14 | Сила КЗ |
| 379 | Клапан 14 | Ручной режим |
| 380 | ||
| 381 | Вход Пожар 15 | Линия Обрыв |
| 382 | Вход Пожар 15 | Линия КЗ |
| 383 | ||
| 384 | Вход Пожар 15′ | Линия Обрыв |
| 385 | Вход Пожар 15′ | Линия КЗ |
| 386 | Вход Пожар 16 | Линия Обрыв |
| 387 | Вход Пожар 16 | Линия КЗ |
| 388 | ||
| 389 | Вход Пожар 16′ | Линия Обрыв |
| 390 | Вход Пожар 16′ | Линия КЗ |
| 391 | ||
| 392 | Клапан 15 | Концевик Закр не сработал |
| 393 | Клапан 15 | Концевик Откр не сработал |
| 394 | Клапан 15 | Концевик Обрыв |
| 395 | Клапан 15 | Концевик КЗ |
| 396 | Клапан 15 | Авария сети питания |
| 397 | Клапан 15 | Сила Обрыв |
| 398 | Клапан 15 | Сила КЗ |
| 399 | Клапан 15 | Ручной режим |
| 400 | ||
| 401 | ||
| 402 | Клапан 16 | Концевик Закр не сработал |
| 403 | Клапан 16 | Концевик Откр не сработал |
| 404 | Клапан 16 | Концевик Обрыв |
| 405 | Клапан 16 | Концевик КЗ |
| 406 | Клапан 16 | Авария сети питания |
| 407 | Клапан 16 | Сила Обрыв |
| 408 | Клапан 16 | Сила КЗ |
| 409 | Клапан 16 | Ручной режим |
| 410 | ||
| 411 | Вход Пожар 17 | Линия Обрыв |
| 412 | Вход Пожар 17 | Линия КЗ |
| 413 | ||
| 414 | Вход Пожар 17′ | Линия Обрыв |
| 415 | Вход Пожар 17′ | Линия КЗ |
| 416 | Вход Пожар 18 | Линия Обрыв |
| 417 | Вход Пожар 18 | Линия КЗ |
| 418 | ||
| 419 | Вход Пожар 18′ | Линия Обрыв |
| 420 | Вход Пожар 18′ | Линия КЗ |
| 421 | ||
| 422 | Клапан 17 | Концевик Закр не сработал |
| 423 | Клапан 17 | Концевик Откр не сработал |
| 424 | Клапан 17 | Концевик Обрыв |
| 425 | Клапан 17 | Концевик КЗ |
| 426 | Клапан 17 | Авария сети питания |
| 427 | Клапан 17 | Сила Обрыв |
| 428 | Клапан 17 | Сила КЗ |
| 429 | Клапан 17 | Ручной режим |
| 430 | ||
| 431 | ||
| 432 | Клапан 18 | Концевик Закр не сработал |
| 433 | Клапан 18 | Концевик Откр не сработал |
| 434 | Клапан 18 | Концевик Обрыв |
| 435 | Клапан 18 | Концевик КЗ |
| 436 | Клапан 18 | Авария сети питания |
| 437 | Клапан 18 | Сила Обрыв |
| 438 | Клапан 18 | Сила КЗ |
| 439 | Клапан 18 | Ручной режим |
| 440 | ||
| 441 | Вход Пожар 19 | Линия Обрыв |
| 442 | Вход Пожар 19 | Линия КЗ |
| 443 | ||
| 444 | Вход Пожар 19′ | Линия Обрыв |
| 445 | Вход Пожар 19′ | Линия КЗ |
| 446 | Вход Пожар 20 | Линия Обрыв |
| 447 | Вход Пожар 20 | Линия КЗ |
| 448 | ||
| 449 | Вход Пожар 20′ | Линия Обрыв |
| 450 | Вход Пожар 20′ | Линия КЗ |
| 451 | ||
| 452 | Клапан 19 | Концевик Закр не сработал |
| 453 | Клапан 19 | Концевик Откр не сработал |
| 454 | Клапан 19 | Концевик Обрыв |
| 455 | Клапан 19 | Концевик КЗ |
| 456 | Клапан 19 | Авария сети питания |
| 457 | Клапан 19 | Сила Обрыв |
| 458 | Клапан 19 | Сила КЗ |
| 459 | Клапан 19 | Ручной режим |
| 460 | ||
| 461 | ||
| 462 | Клапан 20 | Концевик Закр не сработал |
| 463 | Клапан 20 | Концевик Откр не сработал |
| 464 | Клапан 20 | Концевик Обрыв |
| 465 | Клапан 20 | Концевик КЗ |
| 466 | Клапан 20 | Авария сети питания |
| 467 | Клапан 20 | Сила Обрыв |
| 468 | Клапан 20 | Сила КЗ |
| 469 | Клапан 20 | Ручной режим |
| 470 | ||
| 471 | Вход Пожар 21 | Линия Обрыв |
| 472 | Вход Пожар 21 | Линия КЗ |
| 473 | ||
| 474 | Вход Пожар 21′ | Линия Обрыв |
| 475 | Вход Пожар 21′ | Линия КЗ |
| 476 | Вход Пожар 22 | Линия Обрыв |
| 477 | Вход Пожар 22 | Линия КЗ |
| 478 | ||
| 479 | Вход Пожар 22′ | Линия Обрыв |
| 480 | Вход Пожар 22′ | Линия КЗ |
| 481 | ||
| 482 | Клапан 21 | Концевик Закр не сработал |
| 483 | Клапан 21 | Концевик Откр не сработал |
| 484 | Клапан 21 | Концевик Обрыв |
| 485 | Клапан 21 | Концевик КЗ |
| 486 | Клапан 21 | Авария сети питания |
| 487 | Клапан 21 | Сила Обрыв |
| 488 | Клапан 21 | Сила КЗ |
| 489 | Клапан 21 | Ручной режим |
| 490 | ||
| 491 | ||
| 492 | Клапан 22 | Концевик Закр не сработал |
| 493 | Клапан 22 | Концевик Откр не сработал |
| 494 | Клапан 22 | Концевик Обрыв |
| 495 | Клапан 22 | Концевик КЗ |
| 496 | Клапан 22 | Авария сети питания |
| 497 | Клапан 22 | Сила Обрыв |
| 498 | Клапан 22 | Сила КЗ |
| 499 | Клапан 22 | Ручной режим |
| 500 | ||
| 501 | Вход Пожар 23 | Линия Обрыв |
| 502 | Вход Пожар 23 | Линия КЗ |
| 503 | ||
| 504 | Вход Пожар 23′ | Линия Обрыв |
| 505 | Вход Пожар 23′ | Линия КЗ |
| 506 | Вход Пожар 24 | Линия Обрыв |
| 507 | Вход Пожар 24 | Линия КЗ |
| 508 | ||
| 509 | Вход Пожар 24′ | Линия Обрыв |
| 510 | Вход Пожар 24′ | Линия КЗ |
| 511 | ||
| 512 | Клапан 23 | Концевик Закр не сработал |
| 513 | Клапан 23 | Концевик Откр не сработал |
| 514 | Клапан 23 | Концевик Обрыв |
| 515 | Клапан 23 | Концевик КЗ |
| 516 | Клапан 23 | Авария сети питания |
| 517 | Клапан 23 | Сила Обрыв |
| 518 | Клапан 23 | Сила КЗ |
| 519 | Клапан 23 | Ручной режим |
| 520 | ||
| 521 | ||
| 522 | Клапан 24 | Концевик Закр не сработал |
| 523 | Клапан 24 | Концевик Откр не сработал |
| 524 | Клапан 24 | Концевик Обрыв |
| 525 | Клапан 24 | Концевик КЗ |
| 526 | Клапан 24 | Авария сети питания |
| 527 | Клапан 24 | Сила Обрыв |
| 528 | Клапан 24 | Сила КЗ |
| 529 | Клапан 24 | Ручной режим |
| 530 | ||
| 531 | Вход Пожар 25 | Линия Обрыв |
| 532 | Вход Пожар 25 | Линия КЗ |
| 533 | ||
| 534 | Вход Пожар 25′ | Линия Обрыв |
| 535 | Вход Пожар 25′ | Линия КЗ |
| 536 | Вход Пожар 26 | Линия Обрыв |
| 537 | Вход Пожар 26 | Линия КЗ |
| 538 | ||
| 539 | Вход Пожар 26′ | Линия Обрыв |
| 540 | Вход Пожар 26′ | Линия КЗ |
| 541 | ||
| 542 | Клапан 25 | Концевик Закр не сработал |
| 543 | Клапан 25 | Концевик Откр не сработал |
| 544 | Клапан 25 | Концевик Обрыв |
| 545 | Клапан 25 | Концевик КЗ |
| 546 | Клапан 25 | Авария сети питания |
| 547 | Клапан 25 | Сила Обрыв |
| 548 | Клапан 25 | Сила КЗ |
| 549 | Клапан 25 | Ручной режим |
| 550 | ||
| 551 | ||
| 552 | Клапан 26 | Концевик Закр не сработал |
| 553 | Клапан 26 | Концевик Откр не сработал |
| 554 | Клапан 26 | Концевик Обрыв |
| 555 | Клапан 26 | Концевик КЗ |
| 556 | Клапан 26 | Авария сети питания |
| 557 | Клапан 26 | Сила Обрыв |
| 558 | Клапан 26 | Сила КЗ |
| 559 | Клапан 26 | Ручной режим |
| 560 | ||
| 561 | Вход Пожар 27 | Линия Обрыв |
| 562 | Вход Пожар 27 | Линия КЗ |
| 563 | ||
| 564 | Вход Пожар 27′ | Линия Обрыв |
| 565 | Вход Пожар 27′ | Линия КЗ |
| 566 | Вход Пожар 28 | Линия Обрыв |
| 567 | Вход Пожар 28 | Линия КЗ |
| 568 | ||
| 569 | Вход Пожар 28′ | Линия Обрыв |
| 570 | Вход Пожар 28′ | Линия КЗ |
| 571 | ||
| 572 | Клапан 27 | Концевик Закр не сработал |
| 573 | Клапан 27 | Концевик Откр не сработал |
| 574 | Клапан 27 | Концевик Обрыв |
| 575 | Клапан 27 | Концевик КЗ |
| 576 | Клапан 27 | Авария сети питания |
| 577 | Клапан 27 | Сила Обрыв |
| 578 | Клапан 27 | Сила КЗ |
| 579 | Клапан 27 | Ручной режим |
| 580 | ||
| 581 | ||
| 582 | Клапан 28 | Концевик Закр не сработал |
| 583 | Клапан 28 | Концевик Откр не сработал |
| 584 | Клапан 28 | Концевик Обрыв |
| 585 | Клапан 28 | Концевик КЗ |
| 586 | Клапан 28 | Авария сети питания |
| 587 | Клапан 28 | Сила Обрыв |
| 588 | Клапан 28 | Сила КЗ |
| 589 | Клапан 28 | Ручной режим |
| 590 | ||
| 591 | Вход Пожар 29 | Линия Обрыв |
| 592 | Вход Пожар 29 | Линия КЗ |
| 593 | ||
| 594 | Вход Пожар 29′ | Линия Обрыв |
| 595 | Вход Пожар 29′ | Линия КЗ |
| 596 | Вход Пожар 30 | Линия Обрыв |
| 597 | Вход Пожар 30 | Линия КЗ |
| 598 | ||
| 599 | Вход Пожар 30′ | Линия Обрыв |
| 600 | Вход Пожар 30′ | Линия КЗ |
| 601 | ||
| 602 | Клапан 29 | Концевик Закр не сработал |
| 603 | Клапан 29 | Концевик Откр не сработал |
| 604 | Клапан 29 | Концевик Обрыв |
| 605 | Клапан 29 | Концевик КЗ |
| 606 | Клапан 29 | Авария сети питания |
| 607 | Клапан 29 | Сила Обрыв |
| 608 | Клапан 29 | Сила КЗ |
| 609 | Клапан 29 | Ручной режим |
| 610 | ||
| 611 | ||
| 612 | Клапан 30 | Концевик Закр не сработал |
| 613 | Клапан 30 | Концевик Откр не сработал |
| 614 | Клапан 30 | Концевик Обрыв |
| 615 | Клапан 30 | Концевик КЗ |
| 616 | Клапан 30 | Авария сети питания |
| 617 | Клапан 30 | Сила Обрыв |
| 618 | Клапан 30 | Сила КЗ |
| 619 | Клапан 30 | Ручной режим |
| 620 | ||
| 621 | Вход Пожар 31 | Линия Обрыв |
| 622 | Вход Пожар 31 | Линия КЗ |
| 623 | ||
| 624 | Вход Пожар 31′ | Линия Обрыв |
| 625 | Вход Пожар 31′ | Линия КЗ |
| 626 | Вход Пожар 32 | Линия Обрыв |
| 627 | Вход Пожар 32 | Линия КЗ |
| 628 | ||
| 629 | Вход Пожар 32′ | Линия Обрыв |
| 630 | Вход Пожар 32′ | Линия КЗ |
| 631 | ||
| 632 | Клапан 31 | Концевик Закр не сработал |
| 633 | Клапан 31 | Концевик Откр не сработал |
| 634 | Клапан 31 | Концевик Обрыв |
| 635 | Клапан 31 | Концевик КЗ |
| 636 | Клапан 31 | Авария сети питания |
| 637 | Клапан 31 | Сила Обрыв |
| 638 | Клапан 31 | Сила КЗ |
| 639 | Клапан 31 | Ручной режим |
| 640 | ||
| 641 | ||
| 642 | Клапан 32 | Концевик Закр не сработал |
| 643 | Клапан 32 | Концевик Откр не сработал |
| 644 | Клапан 32 | Концевик Обрыв |
| 645 | Клапан 32 | Концевик КЗ |
| 646 | Клапан 32 | Авария сети питания |
| 647 | Клапан 32 | Сила Обрыв |
| 648 | Клапан 32 | Сила КЗ |
| 649 | Клапан 32 | Ручной режим |
| 650 | ||
| 651 | Вход Пожар 33 | Линия Обрыв |
| 652 | Вход Пожар 33 | Линия КЗ |
| 653 | ||
| 654 | Вход Пожар 33′ | Линия Обрыв |
| 655 | Вход Пожар 33′ | Линия КЗ |
| 656 | Вход Пожар 34 | Линия Обрыв |
| 657 | Вход Пожар 34 | Линия КЗ |
| 658 | ||
| 659 | Вход Пожар 34′ | Линия Обрыв |
| 660 | Вход Пожар 34′ | Линия КЗ |
| 661 | ||
| 662 | Клапан 33 | Концевик Закр не сработал |
| 663 | Клапан 33 | Концевик Откр не сработал |
| 664 | Клапан 33 | Концевик Обрыв |
| 665 | Клапан 33 | Концевик КЗ |
| 666 | Клапан 33 | Авария сети питания |
| 667 | Клапан 33 | Сила Обрыв |
| 668 | Клапан 33 | Сила КЗ |
| 669 | Клапан 33 | Ручной режим |
| 670 | ||
| 671 | ||
| 672 | Клапан 34 | Концевик Закр не сработал |
| 673 | Клапан 34 | Концевик Откр не сработал |
| 674 | Клапан 34 | Концевик Обрыв |
| 675 | Клапан 34 | Концевик КЗ |
| 676 | Клапан 34 | Авария сети питания |
| 677 | Клапан 34 | Сила Обрыв |
| 678 | Клапан 34 | Сила КЗ |
| 679 | Клапан 34 | Ручной режим |
| 680 | ||
| 681 | Вход Пожар 35 | Линия Обрыв |
| 682 | Вход Пожар 35 | Линия КЗ |
| 683 | ||
| 684 | Вход Пожар 35′ | Линия Обрыв |
| 685 | Вход Пожар 35′ | Линия КЗ |
| 686 | Вход Пожар 36 | Линия Обрыв |
| 687 | Вход Пожар 36 | Линия КЗ |
| 688 | ||
| 689 | Вход Пожар 36′ | Линия Обрыв |
| 690 | Вход Пожар 36′ | Линия КЗ |
| 691 | ||
| 692 | Клапан 35 | Концевик Закр не сработал |
| 693 | Клапан 35 | Концевик Откр не сработал |
| 694 | Клапан 35 | Концевик Обрыв |
| 695 | Клапан 35 | Концевик КЗ |
| 696 | Клапан 35 | Авария сети питания |
| 697 | Клапан 35 | Сила Обрыв |
| 698 | Клапан 35 | Сила КЗ |
| 699 | Клапан 35 | Ручной режим |
| 700 | ||
| 701 | ||
| 702 | Клапан 36 | Концевик Закр не сработал |
| 703 | Клапан 36 | Концевик Откр не сработал |
| 704 | Клапан 36 | Концевик Обрыв |
| 705 | Клапан 36 | Концевик КЗ |
| 706 | Клапан 36 | Авария сети питания |
| 707 | Клапан 36 | Сила Обрыв |
| 708 | Клапан 36 | Сила КЗ |
| 709 | Клапан 36 | Ручной режим |
| 710 | ||
| 711 | Вход Пожар 37 | Линия Обрыв |
| 712 | Вход Пожар 37 | Линия КЗ |
| 713 | ||
| 714 | Вход Пожар 37′ | Линия Обрыв |
| 715 | Вход Пожар 37′ | Линия КЗ |
| 716 | Вход Пожар 38 | Линия Обрыв |
| 717 | Вход Пожар 38 | Линия КЗ |
| 718 | ||
| 719 | Вход Пожар 38′ | Линия Обрыв |
| 720 | Вход Пожар 38′ | Линия КЗ |
| 721 | ||
| 722 | Клапан 37 | Концевик Закр не сработал |
| 723 | Клапан 37 | Концевик Откр не сработал |
| 724 | Клапан 37 | Концевик Обрыв |
| 725 | Клапан 37 | Концевик КЗ |
| 726 | Клапан 37 | Авария сети питания |
| 727 | Клапан 37 | Сила Обрыв |
| 728 | Клапан 37 | Сила КЗ |
| 729 | Клапан 37 | Ручной режим |
| 730 | ||
| 731 | ||
| 732 | Клапан 38 | Концевик Закр не сработал |
| 733 | Клапан 38 | Концевик Откр не сработал |
| 734 | Клапан 38 | Концевик Обрыв |
| 735 | Клапан 38 | Концевик КЗ |
| 736 | Клапан 38 | Авария сети питания |
| 737 | Клапан 38 | Сила Обрыв |
| 738 | Клапан 38 | Сила КЗ |
| 739 | Клапан 38 | Ручной режим |
| 740 | ||
| 741 | Вход Пожар 39 | Линия Обрыв |
| 742 | Вход Пожар 39 | Линия КЗ |
| 743 | ||
| 744 | Вход Пожар 39′ | Линия Обрыв |
| 745 | Вход Пожар 39′ | Линия КЗ |
| 746 | Вход Пожар 40 | Линия Обрыв |
| 747 | Вход Пожар 40 | Линия КЗ |
| 748 | ||
| 749 | Вход Пожар 40′ | Линия Обрыв |
| 750 | Вход Пожар 40′ | Линия КЗ |
| 751 | ||
| 752 | Клапан 39 | Концевик Закр не сработал |
| 753 | Клапан 39 | Концевик Откр не сработал |
| 754 | Клапан 39 | Концевик Обрыв |
| 755 | Клапан 39 | Концевик КЗ |
| 756 | Клапан 39 | Авария сети питания |
| 757 | Клапан 39 | Сила Обрыв |
| 758 | Клапан 39 | Сила КЗ |
| 759 | Клапан 39 | Ручной режим |
| 760 | ||
| 761 | ||
| 762 | Клапан 40 | Концевик Закр не сработал |
| 763 | Клапан 40 | Концевик Откр не сработал |
| 764 | Клапан 40 | Концевик Обрыв |
| 765 | Клапан 40 | Концевик КЗ |
| 766 | Клапан 40 | Авария сети питания |
| 767 | Клапан 40 | Сила Обрыв |
| 768 | Клапан 40 | Сила КЗ |
| 769 | Клапан 40 | Ручной режим |
| 770 | ||
| 771 | Вход Пожар 41 | Линия Обрыв |
| 772 | Вход Пожар 41 | Линия КЗ |
| 773 | ||
| 774 | Вход Пожар 41′ | Линия Обрыв |
| 775 | Вход Пожар 41′ | Линия КЗ |
| 776 | Вход Пожар 42 | Линия Обрыв |
| 777 | Вход Пожар 42 | Линия КЗ |
| 778 | ||
| 779 | Вход Пожар 42′ | Линия Обрыв |
| 780 | Вход Пожар 42′ | Линия КЗ |
| 781 | Вход Пожар 43 | Линия Обрыв |
| 782 | Вход Пожар 43 | Линия КЗ |
| 783 | ||
| 784 | Вход Пожар 43′ | Линия Обрыв |
| 785 | Вход Пожар 43′ | Линия КЗ |
| 786 | Вход Пожар 44 | Линия Обрыв |
| 787 | Вход Пожар 44 | Линия КЗ |
| 788 | ||
| 789 | Вход Пожар 44′ | Линия Обрыв |
| 790 | Вход Пожар 44′ | Линия КЗ |
| 791 | Вход Неисп.Вент.1 | Тревога |
| 792 | Вход Неисп.Вент.1 | Линия Обрыв |
| 793 | Вход Неисп.Вент.1 | Линия КЗ |
| 794 | ||
| 795 | ||
| 796 | Вход Неисп.Вент.2 | Тревога |
| 797 | Вход Неисп.Вент.2 | Линия Обрыв |
| 798 | Вход Неисп.Вент.2 | Линия КЗ |
| 799 | ||
| 800 | ||
| 801 | Вход Неисп.Вент.3 | Тревога |
| 802 | Вход Неисп.Вент.3 | Линия Обрыв |
| 803 | Вход Неисп.Вент.3 | Линия КЗ |
| 804 | ||
| 805 | ||
| 806 | Вход Неисп.Вент.4 | Тревога |
| 807 | Вход Неисп.Вент.4 | Линия Обрыв |
| 808 | Вход Неисп.Вент.4 | Линия КЗ |
| 809 | ||
| 810 | ||
| 811 | Калорифер HTG | Обрыв сила |
| 812 | Калорифер HTG | Вход ДУ неисправен |
| 813 | Калорифер HTG | Датчик TE1 неисправен |
| 814 | Калорифер HTG | Датчик TE1 Перегрев |
| 815 | Калорифер HTG | Датчик TE1 Переохл |
| 816 | Калорифер HTG | Термостат TS1 неисправен |
| 817 | Калорифер HTG | Термостат TS1 Тревога |
| 818 | Калорифер HTG | Защитный автомат Тревога |
| 819 | Калорифер HTG | Ручной режим |
| 820 | ||
| 821 | MIO Реле 1 | Ручной режим |
| 822 | MIO Реле 2 | Ручной режим |
| 823 | MIO Реле 3 | Ручной режим |
| 824 | MIO Реле 4 | Ручной режим |
| 825 | MIO Реле 5 | Ручной режим |
| 826 | MIO Реле 6 | Ручной режим |
| 827 | MIO Реле 7 | Ручной режим |
| 828 | MIO Реле 8 | Ручной режим |
| 829 | MIO Реле 9 | Ручной режим |
| 830 | MIO Реле 10 | Ручной режим |
| 831 | MIO Реле 11 | Ручной режим |
| 832 | MIO Реле 12 | Ручной режим |
| 833 | MIO Реле 13 | Ручной режим |
| 834 | MIO Реле 14 | Ручной режим |
| 835 | MIO Реле 15 | Ручной режим |
| 836 | MIO Реле 16 | Ручной режим |
| 837 | MIO Реле 17 | Ручной режим |
| 838 | MIO Реле 18 | Ручной режим |
| 839 | MIO Реле 19 | Ручной режим |
| 840 | MIO Реле 20 | Ручной режим |
| 841 | MIO Реле 21 | Ручной режим |
| 842 | MIO Реле 22 | Ручной режим |
| 843 | MIO Реле 23 | Ручной режим |
| 844 | MIO Реле 24 | Ручной режим |
| 845 | MIO Реле 25 | Ручной режим |
| 846 | MIO Реле 26 | Ручной режим |
| 847 | MIO Реле 27 | Ручной режим |
| 848 | MIO Реле 28 | Ручной режим |
| 849 | MIO Реле 29 | Ручной режим |
| 850 | MIO Реле 30 | Ручной режим |
| 851 | MIO Реле 31 | Ручной режим |
| 852 | MIO Реле 32 | Ручной режим |
| 853 | MIO Реле 33 | Ручной режим |
| 854 | MIO Реле 34 | Ручной режим |
| 855 | MIO Реле 35 | Ручной режим |
| 856 | MIO Реле 36 | Ручной режим |
| 857 | MIO Реле 37 | Ручной режим |
| 858 | MIO Реле 38 | Ручной режим |
| 859 | MIO Реле 39 | Ручной режим |
| 860 | MIO Реле 40 | Ручной режим |
| 861 | Модуль HTG (Адр.31) | Нет связи |
| 862 | Модуль HTG (Адр.31) | Неправильный тип модуля |
| 863 | Модуль HTG (Адр.31) | Устаревшая версия ПО модуля |
| 864 | Модуль HTG (Адр.31) | Ошибки записи |
| 865 | Модуль KBD 7 (Адр.32) | Нет связи |
| 866 | Модуль KBD 7 (Адр.32) | Неправильный тип модуля |
| 867 | Модуль KBD 7 (Адр.32) | Устаревшая версия ПО модуля |
| 868 | Модуль KBD 7 (Адр.32) | Ошибки записи |
| 869 | Модуль KBD 8 (Адр.33) | Нет связи |
| 870 | Модуль KBD 8 (Адр.33) | Неправильный тип модуля |
| 871 | Модуль KBD 8 (Адр.33) | Устаревшая версия ПО модуля |
| 872 | Модуль KBD 8 (Адр.33) | Ошибки записи |
| 873 | Модуль KBD 9 (Адр.34) | Нет связи |
| 874 | Модуль KBD 9 (Адр.34) | Неправильный тип модуля |
| 875 | Модуль KBD 9 (Адр.34) | Устаревшая версия ПО модуля |
| 876 | Модуль KBD 9 (Адр.34) | Ошибки записи |
| 877 | Модуль KBD 10 (Адр.35) | Нет связи |
| 878 | Модуль KBD 10 (Адр.35) | Неправильный тип модуля |
| 879 | Модуль KBD 10 (Адр.35) | Устаревшая версия ПО модуля |
| 880 | Модуль KBD 10 (Адр.35) | Ошибки записи |
| 881 | Модуль MIO 1 (Адр.36) | Нет связи |
| 882 | Модуль MIO 1 (Адр.36) | Неправильный тип модуля |
| 883 | Модуль MIO 1 (Адр.36) | Устаревшая версия ПО модуля |
| 884 | Модуль MIO 1 (Адр.36) | Ошибки записи |
| 885 | Модуль MIO 2 (Адр.37) | Нет связи |
| 886 | Модуль MIO 2 (Адр.37) | Неправильный тип модуля |
| 887 | Модуль MIO 2 (Адр.37) | Устаревшая версия ПО модуля |
| 888 | Модуль MIO 2 (Адр.37) | Ошибки записи |
| 889 | Модуль MIO 3 (Адр.38) | Нет связи |
| 890 | Модуль MIO 3 (Адр.38) | Неправильный тип модуля |
| 891 | Модуль MIO 3 (Адр.38) | Устаревшая версия ПО модуля |
| 892 | Модуль MIO 3 (Адр.38) | Ошибки записи |
| 893 | Модуль MIO 4 (Адр.39) | Нет связи |
| 894 | Модуль MIO 4 (Адр.39) | Неправильный тип модуля |
| 895 | Модуль MIO 4 (Адр.39) | Устаревшая версия ПО модуля |
| 896 | Модуль MIO 4 (Адр.39) | Ошибки записи |
| 897 | ||
| 898 | ||
| 899 | ||
| 900 | ||
| 901 | Модуль MCB | Не зарегистрирован |
| 902 | Модуль KBD 1 (Адр.2) | Не зарегистрирован |
| 903 | Модуль KBD 2 (Адр.3) | Не зарегистрирован |
| 904 | Модуль KBD 3 (Адр.4) | Не зарегистрирован |
| 905 | Модуль KBD 4 (Адр.5) | Не зарегистрирован |
| 906 | Модуль KBD 5 (Адр.6) | Не зарегистрирован |
| 907 | Модуль KBD 6 (Адр.7) | Не зарегистрирован |
| 908 | Модуль AVR (Адр.8) | Не зарегистрирован |
| 909 | Модуль VLV 1 (Адр.9) | Нет связи MCU1 |
| 910 | Модуль VLV 1 (Адр.9) | Ошибка версии ПО MCU1 |
| 911 | Модуль VLV 1 (Адр.9) | Не зарегистрирован |
| 912 | Модуль VLV 2 (Адр.10) | Нет связи MCU1 |
| 913 | Модуль VLV 2 (Адр.10) | Ошибка версии ПО MCU1 |
| 914 | Модуль VLV 2 (Адр.10) | Не зарегистрирован |
| 915 | Модуль VLV 3 (Адр.11) | Нет связи MCU1 |
| 916 | Модуль VLV 3 (Адр.11) | Ошибка версии ПО MCU1 |
| 917 | Модуль VLV 3 (Адр.11) | Не зарегистрирован |
| 918 | Модуль VLV 4 (Адр.12) | Нет связи MCU1 |
| 919 | Модуль VLV 4 (Адр.12) | Ошибка версии ПО MCU1 |
| 920 | Модуль VLV 4 (Адр.12) | Не зарегистрирован |
| 921 | Модуль VLV 5 (Адр.13) | Нет связи MCU1 |
| 922 | Модуль VLV 5 (Адр.13) | Ошибка версии ПО MCU1 |
| 923 | Модуль VLV 5 (Адр.13) | Не зарегистрирован |
| 924 | Модуль VLV 6 (Адр.14) | Нет связи MCU1 |
| 925 | Модуль VLV 6 (Адр.14) | Ошибка версии ПО MCU1 |
| 926 | Модуль VLV 6 (Адр.14) | Не зарегистрирован |
| 927 | Модуль VLV 7 (Адр.15) | Нет связи MCU1 |
| 928 | Модуль VLV 7 (Адр.15) | Ошибка версии ПО MCU1 |
| 929 | Модуль VLV 7 (Адр.15) | Не зарегистрирован |
| 930 | Модуль VLV 8 (Адр.16) | Нет связи MCU1 |
| 931 | Модуль VLV 8 (Адр.16) | Ошибка версии ПО MCU1 |
| 932 | Модуль VLV 8 (Адр.16) | Не зарегистрирован |
| 933 | Модуль VLV 9 (Адр.17) | Нет связи MCU1 |
| 934 | Модуль VLV 9 (Адр.17) | Ошибка версии ПО MCU1 |
| 935 | Модуль VLV 9 (Адр.17) | Не зарегистрирован |
| 936 | Модуль VLV 10 (Адр.18) | Нет связи MCU1 |
| 937 | Модуль VLV 10 (Адр.18) | Ошибка версии ПО MCU1 |
| 938 | Модуль VLV 10 (Адр.18) | Не зарегистрирован |
| 939 | Модуль VLV 11 (Адр.19) | Нет связи MCU1 |
| 940 | Модуль VLV 11 (Адр.19) | Ошибка версии ПО MCU1 |
| 941 | Модуль VLV 11 (Адр.19) | Не зарегистрирован |
| 942 | Модуль VLV 12 (Адр.20) | Нет связи MCU1 |
| 943 | Модуль VLV 12 (Адр.20) | Ошибка версии ПО MCU1 |
| 944 | Модуль VLV 12 (Адр.20) | Не зарегистрирован |
| 945 | Модуль VLV 13 (Адр.21) | Нет связи MCU1 |
| 946 | Модуль VLV 13 (Адр.21) | Ошибка версии ПО MCU1 |
| 947 | Модуль VLV 13 (Адр.21) | Не зарегистрирован |
| 948 | Модуль VLV 14 (Адр.22) | Нет связи MCU1 |
| 949 | Модуль VLV 14 (Адр.22) | Ошибка версии ПО MCU1 |
| 950 | Модуль VLV 14 (Адр.22) | Не зарегистрирован |
| 951 | Модуль VLV 15 (Адр.23) | Нет связи MCU1 |
| 952 | Модуль VLV 15 (Адр.23) | Ошибка версии ПО MCU1 |
| 953 | Модуль VLV 15 (Адр.23) | Не зарегистрирован |
| 954 | Модуль VLV 16 (Адр.24) | Нет связи MCU1 |
| 955 | Модуль VLV 16 (Адр.24) | Ошибка версии ПО MCU1 |
| 956 | Модуль VLV 16 (Адр.24) | Не зарегистрирован |
| 957 | Модуль VLV 17 (Адр.25) | Нет связи MCU1 |
| 958 | Модуль VLV 17 (Адр.25) | Ошибка версии ПО MCU1 |
| 959 | Модуль VLV 17 (Адр.25) | Не зарегистрирован |
| 960 | Модуль VLV 18 (Адр.26) | Нет связи MCU1 |
| 961 | Модуль VLV 18 (Адр.26) | Ошибка версии ПО MCU1 |
| 962 | Модуль VLV 18 (Адр.26) | Не зарегистрирован |
| 963 | Модуль VLV 19 (Адр.27) | Нет связи MCU1 |
| 964 | Модуль VLV 19 (Адр.27) | Ошибка версии ПО MCU1 |
| 965 | Модуль VLV 19 (Адр.27) | Не зарегистрирован |
| 966 | Модуль VLV 20 (Адр.28) | Нет связи MCU1 |
| 967 | Модуль VLV 20 (Адр.28) | Ошибка версии ПО MCU1 |
| 968 | Модуль VLV 20 (Адр.28) | Не зарегистрирован |
| 969 | Модуль MTR1 (Адр.29) | Нет связи MCU1 |
| 970 | Модуль MTR1 (Адр.29) | Ошибка версии ПО MCU1 |
| 971 | Модуль MTR1 (Адр.29) | Не зарегистрирован |
| 972 | Модуль MTR2 (Адр.30) | Нет связи MCU1 |
| 973 | Модуль MTR2 (Адр.30) | Ошибка версии ПО MCU1 |
| 974 | Модуль MTR2 (Адр.30) | Не зарегистрирован |
| 975 | Модуль HTG (Адр.31) | Нет связи MCU1 |
| 976 | Модуль HTG (Адр.31) | Ошибка версии ПО MCU1 |
| 977 | Модуль HTG (Адр.31) | Не зарегистрирован |
| 978 | Модуль KBD 7 (Адр.32) | Не зарегистрирован |
| 979 | Модуль KBD 8 (Адр.33) | Не зарегистрирован |
| 980 | Модуль KBD 9 (Адр.34) | Не зарегистрирован |
| 981 | Модуль KBD 10 (Адр.35) | Не зарегистрирован |
| 982 | Модуль MIO 1 (Адр.36) | Не зарегистрирован |
| 983 | Модуль MIO 2 (Адр.37) | Не зарегистрирован |
| 984 | Модуль MIO 3 (Адр.38) | Не зарегистрирован |
| 985 | Модуль MIO 4 (Адр.39) | Не зарегистрирован |
Документы для скачивания
Инструкция
компьютера
Инструкция
Инструкция пользователя системы “Смарт” для чтения на экране мобильного
телефона
Коды ошибок
Коды ошибок для чтения на экране мобильного телефона
О компании
Основными направлениями в области деятельности ООО «СБТ-ГРУПП» являются:
Производство продукции высокого качества
Разработка и освоение новых видов продукции
Обеспечение высоких темпов производства
Укрепление авторитета надежного партнера
Работаем с
2003 г.
Настоящие направления развития реализуются при обеспечении следующих принципов в области качества:
Повышение конкурентных преимуществ предприятия за счет выпуска продукции стабильного качества с оптимальной себестоимостью в установленные сроки
